Cechy produktu :
- składa się z: jednouchwytowa bateria umywalkowa, ścienna, podtynkowa, komplet odpływowy
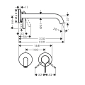
- zasięg: 220 mm
- wersja uchwytu: uchwyt jednoramienny
- rodzaj strumienia: strumień normalny
- maksymalny natężenie przepływu przy 3 bar: 5 l/min
- ceramiczna głowica
- nadaje się do przepływowych podgrzewaczy wody
- komplet odpływowy bez możliwości zamknięcia
- typ przyłącza: zestaw podtynkowy - dokupywany oddzielnie
- uchwyt może być umieszczony po lewej lub prawej stronie, w zależności od montażu zestawu podstawowego
- Taksonomia UE: max. 6 l/min - mozliwy znaczący wkład (SC)


